机关管理的中观行业环境主要指的是( )
A.科技环境和地区环境
B.地区环境和行业系统环境
C.行业系统环境和经济环境
D.科技环境和文化环境
正确答案是B
扫描二维码免费使用微信小程序搜题/刷题/查看解析。
版权声明:本文由翰林刷题小程序授权发布,如需转载请注明出处。
本文链接:https://doc.20230611.cn/post/872177.html
上一篇:简述运输的特征。
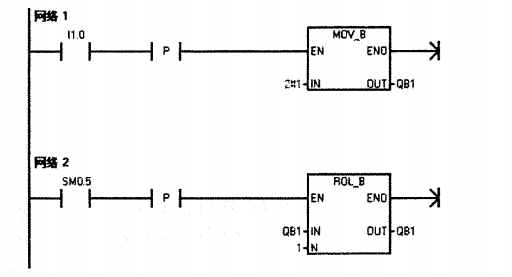
下一篇:题28图所示为一个跑马灯程序,试回答。(1)MOV_B是什么指令?(2)ROL_B是哪种移位指令?(3)当第一个正跳变脉冲到来时,有几盏灯亮?(4)每次变化的时间间隔长度是多少秒?(5)从起动开始,经过多少秒完成一个循环周期? 友情链接 南离文苑
题28图所示为一个跑马灯程序,试回答。(1)MOV_B是什么指令?(2)ROL_B是哪种移位指令?(3)当第一个正跳变脉冲到来时,有几盏灯亮?(4)每次变化的时间间隔长度是多少秒?(5)从起动开始,经过多少秒完成一个循环周期?