夏目漱石的“爱情三部曲”指的是【】
A.《三四郎》
B.《行人》
C.《从此以后》
D.《门》
E.《过了春分时节》
正确答案是ACD
扫描二维码免费使用微信小程序搜题/刷题/查看解析。
版权声明:本文由翰林刷题小程序授权发布,如需转载请注明出处。
本文链接:https://doc.20230611.cn/post/99250.html
上一篇:固定资产清理的审计目标一般不包括( )
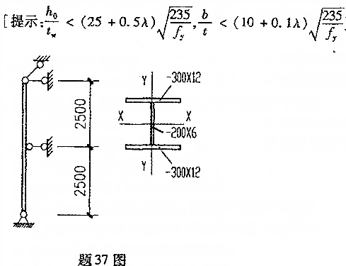
下一篇:已知菜轴心受压实腹柱AB高5m,中点L/2处有侧向支撑。采用三块钢板焊成的工字型柱截面,翼缘尺寸为300mm×12mm,腹板尺寸为200mm×6mm。钢材为Q235。求柱子最大承载力N,并验算局部稳定性是否合格? 友情链接 南离文苑
已知菜轴心受压实腹柱AB高5m,中点L/2处有侧向支撑。采用三块钢板焊成的工字型柱截面,翼缘尺寸为300mm×12mm,腹板尺寸为200mm×6mm。钢材为Q235。求柱子最大承载力N,并验算局部稳定性是否合格?