密集分销属于
A.宽渠道
B.窄渠道
C.长渠道
D.短渠道
正确答案是A
扫描二维码免费使用微信小程序搜题/刷题/查看解析。
版权声明:本文由翰林刷题小程序授权发布,如需转载请注明出处。
本文链接:https://doc.20230611.cn/post/941371.html
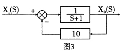
上一篇:图3所示反馈控制系统中,求输入单位阶跃信号时系统的稳态误差。
图3所示反馈控制系统中,求输入单位阶跃信号时系统的稳态误差。
下一篇:Which of the following is NOT one of the types of changes in word-meaning?