某机床主轴转速n=100~1120 r/min,转速级数z=8,电动机转速n电=1440 r/min ,试设计该机床主传动系,包括拟定结构式和转速图,画出主传动系图。
解:变速范围:
公比:
1.41查表或计算,可获得8级转速为 100,140,200,280,400,560,800,1120拟定8级转速的结构式:根据级比规律和传动副前多后少、传动线前密后疏的的原则确定

符合要求
符合要求最后扩大组的变速范围:
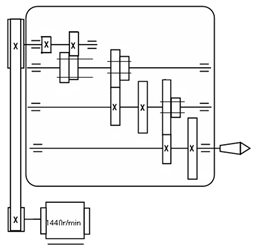
符合要求绘制传动系统图如下:
扫描二维码免费使用微信小程序搜题/刷题/查看解析。
版权声明:本文由翰林刷题小程序授权发布,如需转载请注明出处。