- 结构力学(二)(02439) - 专业知识收录平台">

- 结构力学(二)(02439) - 专业知识收录平台">
当前位置:首页 > 结构力学(二)(02439) > 正文内容

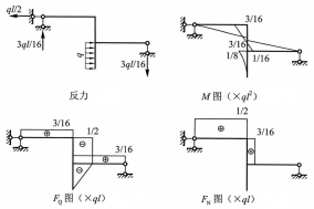
计算图示静定结构,求支座反力,作弯矩图、剪力图和轴力图。

高老师2年前 (2024-03-27)结构力学(二)(02439)21

计算图示静定结构,求支座反力,作弯矩图、剪力图和轴力图。

扫描二维码免费使用微信小程序搜题/刷题/查看解析。

版权声明:本文由翰林刷题小程序授权发布,如需转载请注明出处。

本文链接:https://doc.20230611.cn/post/740399.html

分享给朋友: