在 Flash的图层中,被导向图层的类型是
A.Mask
B.Masked
C.Guide
D.Guided
正确答案是D
扫描二维码免费使用微信小程序搜题/刷题/查看解析。
版权声明:本文由翰林刷题小程序授权发布,如需转载请注明出处。
本文链接:https://doc.20230611.cn/post/540922.html
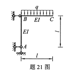
上一篇:求图示结构C点的竖向位移。
求图示结构C点的竖向位移。
下一篇:一个进程让出处理器,由另一个进程占用处理器的过程称为进程切换,一个进程从运行状态变成等待状态或一个进程完成工作被撤销后,____(一定/不一定)引起进程切换。