下列选项中,可能缩短营业周期的有()
A.供应商的现金折扣降低了,所以提前付款
B.应收账款余额减少
C.提供给顾客的现金折扣增加,对他们更具吸引力
D.存货周转率上升
E.应收账款余额增加
正确答案是BCD
扫描二维码免费使用微信小程序搜题/刷题/查看解析。
版权声明:本文由翰林刷题小程序授权发布,如需转载请注明出处。
本文链接:https://doc.20230611.cn/post/1240748.html
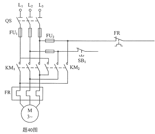
上一篇:三相异步电动机正反转运行的主电路和部分控制电路如题40图所示。 (1) 补全控制电路,要求具有自锁和用接触器实现的互锁功能; (2) 指出能实现过载保护和短路保护的电器元件。 请将题40图绘制在答题卡上作答。 用配方法化二次型为标准形,并写出所作的可逆线性变换.
三相异步电动机正反转运行的主电路和部分控制电路如题40图所示。 (1) 补全控制电路,要求具有自锁和用接触器实现的互锁功能; (2) 指出能实现过载保护和短路保护的电器元件。 请将题40图绘制在答题卡上作答。
用配方法化二次型为标准形,并写出所作的可逆线性变换.