当前位置:首页 > 电力电子变流技术(02308) > 正文内容

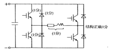
试画出由IGBT组成的带阻感负载单相电压源型桥式逆变电路。

高老师2年前 (2024-03-28)电力电子变流技术(02308)22

试画出由IGBT组成的带阻感负载单相电压源型桥式逆变电路。

扫描二维码免费使用微信小程序搜题/刷题/查看解析。

版权声明:本文由翰林刷题小程序授权发布,如需转载请注明出处。

本文链接:https://doc.20230611.cn/post/1211610.html

分享给朋友: