- 项目时间管理(05063) - 专业知识收录平台">

- 项目时间管理(05063) - 专业知识收录平台">
当前位置:首页 > 项目时间管理(05063) > 正文内容

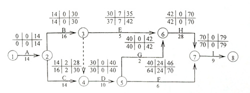
请按下图所示格式在双代号网络图中标明各工作的最早开始时间、最早结束时间、最晚开始时间和最晚结束时间,以及各工作的自由时差和总时差


高老师2年前 (2024-03-27)项目时间管理(05063)17

请按下图所示格式在双代号网络图中标明各工作的最早开始时间、最早结束时间、最晚开始时间和最晚结束时间,以及各工作的自由时差和总时差



扫描二维码免费使用微信小程序搜题/刷题/查看解析。

版权声明:本文由翰林刷题小程序授权发布,如需转载请注明出处。

本文链接:https://doc.20230611.cn/post/1110602.html

分享给朋友: