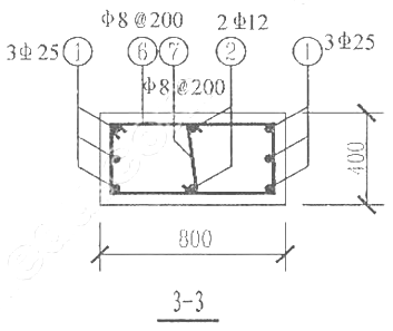
画出钢筋混凝土柱的1-1、3-3断面图。
- 土木工程制图(02386) - 专业知识收录平台">
扫描二维码免费使用微信小程序搜题/刷题/查看解析。
版权声明:本文由翰林刷题小程序授权发布,如需转载请注明出处。
本文链接:https://doc.20230611.cn/post/1029699.html
上一篇:Daniel Defoe describes ( ) as a typical English middle -class man of the eighteenth century, the very prototype of the empire builder, the pioneer colonist.
下一篇:最早提出“职业倦怠”这一概念的是( )