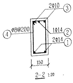
根据钢筋混凝土梁的立体图和钢筋详图,绘制该梁的2-2断面图。
- 土木工程制图(02386) - 专业知识收录平台">
扫描二维码免费使用微信小程序搜题/刷题/查看解析。
版权声明:本文由翰林刷题小程序授权发布,如需转载请注明出处。
本文链接:https://doc.20230611.cn/post/1029584.html
上一篇:军产土地归口于()管理
下一篇:某企业原材料采用实际成本核算。2019年6月29日该企业对存货进行全面清查。发现短缺原材料一批,账面成本12 000元,增值税率13%。经确认,由保管人员过失造成,应由保险公司赔款4 000元,由过失人员赔款3 000元,存货清查业务应确认的净损失为( )元。